防水圓形電連接器 為焊接 FQ系列 FQN-14-7TK
發布時間:2023-05-25 | 點擊量:1565
詳細說明:
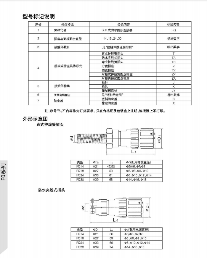
FQ系列卡口式防水圓形電連接器,符合SJ/T10497標準。是在Q系列的基礎上,增加防水功能的改進型產品,其安裝尺寸和接觸件排列等同于Q系列產品。該連接器具有可靠性高,抗振動、密封性強等特點,插頭與插座連接快速,使用方便,操作簡單。廣泛應用于各種電子、電氣設備的電路連接。
使用環境條件:
環境溫度:-55℃~+100℃
相對濕度:溫度+40℃,93%
大氣壓力:1KPa
振動:頻率10~2000Hz,加速度150m/s2
碰撞:加速度490m/s2
恒加速度振動:加速度245m/s2







